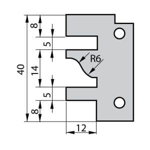
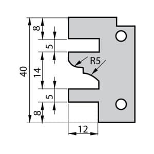
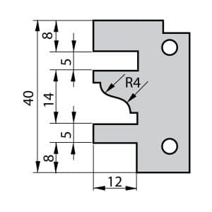
Kutterhodet er utstyrt med to profilerende hardmetallkniver. Stoppskruen er forankret under knivene, noe som gir variabel bruk og forbedrer skjæremulighetene til hodet. Ved å plassere kutteren over fresebordet kan du velge hvilken profil du vil lage, den i den nedre delen av kutteren, eller bare snu kutteren opp ned og feste den under fresebordet, for å bruke den øvre delen av hodet med en motprofil. Leveres med en E-profil. Andre profiltyper A, C og D er tilgjengelige på bestilling. Konstruert for en 22 til 26 mm bred ramme. Boringsstørrelse d=30 mm.
Parametere: Kniver 2, hastighet 7 300 – 10 000 o/min. Manuell MAN-mating av materiale.












